Description
Features of the Round Zero Point Plate
The combo Round Zero Point Plate with Mounting Bores improves efficiency and precision in machining. It reduces fixture positioning time during changeovers, ensuring smooth production. This plate is essential for operations requiring quick and precise adjustments.
Benefits of Quick Change Devices
This plate supports Quick Change Devices. These devices reduce accumulated tolerance in high-precision work. They allow fixtures to rotate 90 degrees while staying centered. This keeps the production line efficient and productive. With the Quick Change Device, operators can switch tasks quickly, reducing downtime and boosting efficiency. Quick changes help maintain a high level of accuracy in various machining tasks.
Versatility for CNC Machining Plates
The combo Round Zero Point Plate fits common stud sizes (52/96 mm bolt distance). This feature offers flexible setup options. It’s especially useful for 4 and 5-axis CNC Machining Plates in tight spaces. The plate fits easily into different machining setups, boosting productivity and precision. Its versatile design adapts to various machining environments, making it a valuable addition to any setup.
The combo Round Zero Point Plate is compatible with LANG. It ensures repeatability and accuracy, which is crucial for complex tasks. The Quick Change Device compatibility makes it even more useful for precise operations. This compatibility makes it an excellent choice for industries that need high precision and efficiency.
The plate is made from high-quality materials, ensuring durability. It withstands continuous use in industrial settings. The easy installation process adds convenience, letting operators set it up quickly without long downtimes. This robust construction ensures long-term performance, even under demanding conditions.
For more precision machining solutions, see our ASC-77x102S Five-Axis Self-Centering Vise.
Applications
- Precision machining on 4 and 5-axis CNC Machining Plates
- Suitable for CNC machines with limited workspace
- Ideal for production lines requiring Quick Change Devices
- Enhances efficiency in high-precision machining tasks
- Supports flexible machining setups with common stud specifications
Technical Specifications

Product Specifications
MODEL
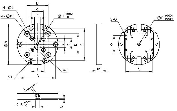
| MODEL | A | B | C | D | E | F | G | H | I | J |
| QPB-52-96C | 185 | 28 | 52 | 96 | 146 | 60 | 160 | M10 | M5 | φ15.7 |
| K | L | M | N | O | P | Q | R | S | T | |
| φ19.8 | M10 | 27 | 120 | 80 | φ12 | M6 | 20 | 3.5 | 8 |
